BSAU 02 bezpečnostní nástěnné umyvadlo s antivandalovým ovládáním
Bezpečnostní nástěnné umyvadlo BSAU 02 bylo vytvořeno speciálně pro provozy, kde je velké riziko poškození sanitárního vybavení. Příkladem těchto provozů můžou být dekompenzační cely pro věznice, oddělení pro psychicky narušené pacienty v psychiatrických ústavech, detenčních ústavech pro drogově závislé a samozřejmě také místa, jako jsou opuštěná dálniční a silniční odpočívadla s volným provozem.
Konstrukce tohoto nástěnného nerezového umyvadla vychází částečně z konceptu umyvadla umístěného v bezpečnostním kombisetu BSK 01.
Hlavní výhody tohoto antivandalového umyvadla :
– veškeré části tohoto umyvadla jsou zakrytovány včetně sifonu a přívodu vody
– výtok vody tvoří pouze silné nerezové ramínko, které nelze běžnými prostředky ohnout nebo ulomit
– dávkování vody je řízeno pomocí elektroniky a to tak, že při stisknutí antivandalového tlačítka, elektronika vydá pouze předem stanovené množství vody
– antivandalové tlačítko je pouze identifikátorem impulsů, proto je zde zaručeno, že nelze dané zařízení zablokovat a tím pádem nechat téct vodu libovolně dlouho
– nerezová vpusť umyvadla je tvořena perforovaným nerezovým plechem, a proto je přístup k sifonu z hodní části naprosto nemožný
– umyvadlo je vytvořeno tak, aby se na něm psychicky narušení lidé nemohli sebepoškodit (nemá žádné ostré hrany – odstraněno riziko pořezání, výtokové ramínko je velmi krátké a je směřováno tak, aby se na něm nedalo oběsit)
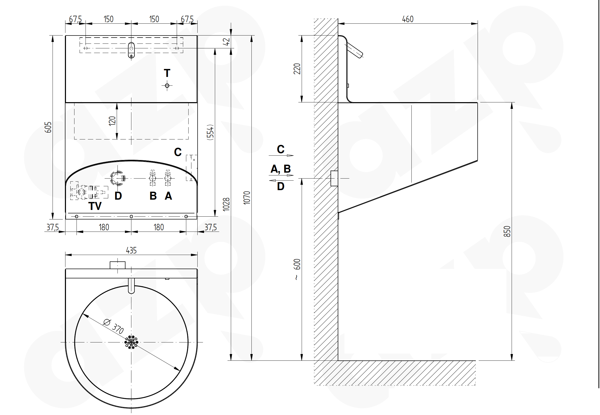
Nerezové umyvadlo je standardně vyráběno z nerezového plechu tloušťky 2 mm – odolává i velmi silnému útoku. Nerezový povrch je opatřen pískováním balotinou. K napájení elektroniky tohoto umyvadla je nutné použít napájecí zdroj ZAC.
Umyvadlo je standardně připraveno pro připojení namíchané vody. Na přání lze samozřejmě změnit rozměry nebo doplnit umyvadlo podle přání zákazníka.
Neváhejte naše obchodní zástupce s Vaší poptávkou kontaktovat.
Kompletní dodávka
- Celoopláštěnné umyvadlo s antivandalovým tlačítkem a elektronikou.
- Závěsná lišta a upevňovací materiál.
- Odpadový sifon s flexi připojením d = 40 mm (nebo d = 50 mm) upravitelné uživatelem na oba rozměry.
- Připojovací hadice s rohovým ventilem.
| přívod vody | G 1/2“ |
| odpad | d = 40 mm |
| rozměry | 600 x 435 x 460 mm |
| velikost dřezu | průměr 370 mm |
| krytí | IP 55 |
| nastavitelná doba tečení vody | 1 - 250 s po 1 s |
| tlak vody | 0,1 – 1,0 MPa |
| el. napájení | 12 V, 50 Hz |
| příkon | max. 6 VА |
| napájecí zdroj | ZAC 1/20 (max. 3 x BSAU 02) |
| ZAC 1/36L (max. 6 x BSAU 02) | |
| ZAC 1/50 (max. 8 x BSAU 02) |
- Proveden rozvod vody ukončený 1/2“ vnitřním závitem. V přívodu vody musí být osazen filtr pro odstranění mechanických nečistot z vody.
- Připraveny odpady.
- Připraven napájecí kabel 12 V, 50 Hz ze zdroje ZAC.

-
- A – Přívod studené vody (BSAU 02.2; BSAU 02.TV); Přívod míchané vody (BSAU 02.1); G 1/2" vnitřní
- B – Přívod teplé vody (BSAU 02.2; BSAU 02.TV
-
C – El. přívod CYKY 2A x 1,5
-
D – Odpad
- TV – Termostatický ventil
- T – Nerezové ovládací tlačítko
